Is there a list online of EX1 error codes? at DVinfo.net
DV Info Net

Go Back   DV Info Net > Sony XAVC / XDCAM / NXCAM / AVCHD / HDV / DV Camera Systems > Sony XDCAM EX Pro Handhelds
Register FAQ Today's Posts Buyer's Guides

Sony XDCAM EX Pro Handhelds
Sony PXW-Z280, Z190, X180 etc. (going back to EX3 & EX1) recording to SxS flash memory.

Reply
 
Thread Tools Search this Thread
Old May 19th, 2010, 06:30 AM   #1
Major Player
 
Join Date: Jul 2003
Location: Leeds, UK
Posts: 660
Images: 10
Is there a list online of EX1 error codes?

Is there a list online of EX1 error codes?

Cheers, Duncan.

Edit: specifically I'm looking for E-15030 and E-17014
__________________
FCPX/LS300/EX1/FS100/GoPro/Vinten/HotHead/Jib/Track/Dedos/Lightstorm/Coollights

Last edited by Duncan Craig; May 19th, 2010 at 07:34 AM.
Duncan Craig is offline   Reply With Quote
Old May 19th, 2010, 08:06 PM   #2
Major Player
 
Join Date: Apr 2005
Location: New Orleans, LA
Posts: 218
EX-3 Error Codes here... may not be the same

Error numbers are displayed as E-XXXXX (X indicates a number).
Error No. Description Service action
15030 System error Repair the DPR-289A board or replace it.
17001 Abnormality in the Media ID data in Rewrite the media ID data in the EEPROM using
the EEPROM “ServiceNavi-EX”.
17002 The image processor block does not start up. Repair the DPR-289A board or replace it.
17003 The display block does not start up
17004 The media block does not start up
17005 Abnormality in the start-up process of
the image processor block
17006 Abnormality in the start-up process of
the display block
17007 Abnormality in the start-up process of
the media block
17014 Abnormality in lens communication Check the connection with the lens unit. If there is
no defect, replace the lens unit.
17015 Abnormality in the media block Repair the DPR-289A or replace it.
17016 Abnormality in obtaining the lens switch Check the connection with the lens unit. If there is
no condition defect, replace the lens unit.
17017 Internal error in the media block Repair the DPR-289A board or replace it.
or
4XXXX
1-12.
__________________
George T. Griswold, Jr.
www.videonow.info New Orleans
George Griswold is offline   Reply With Quote
Old May 19th, 2010, 08:12 PM   #3
Major Player
 
Join Date: Apr 2005
Location: New Orleans, LA
Posts: 218
Error 15030

If you are lucky you have loose ribbon cables from vibration (unlikely). I haven't looked at the schematic, but that DPR sounds like a board that you don't want problems with.... does lots of stuff.

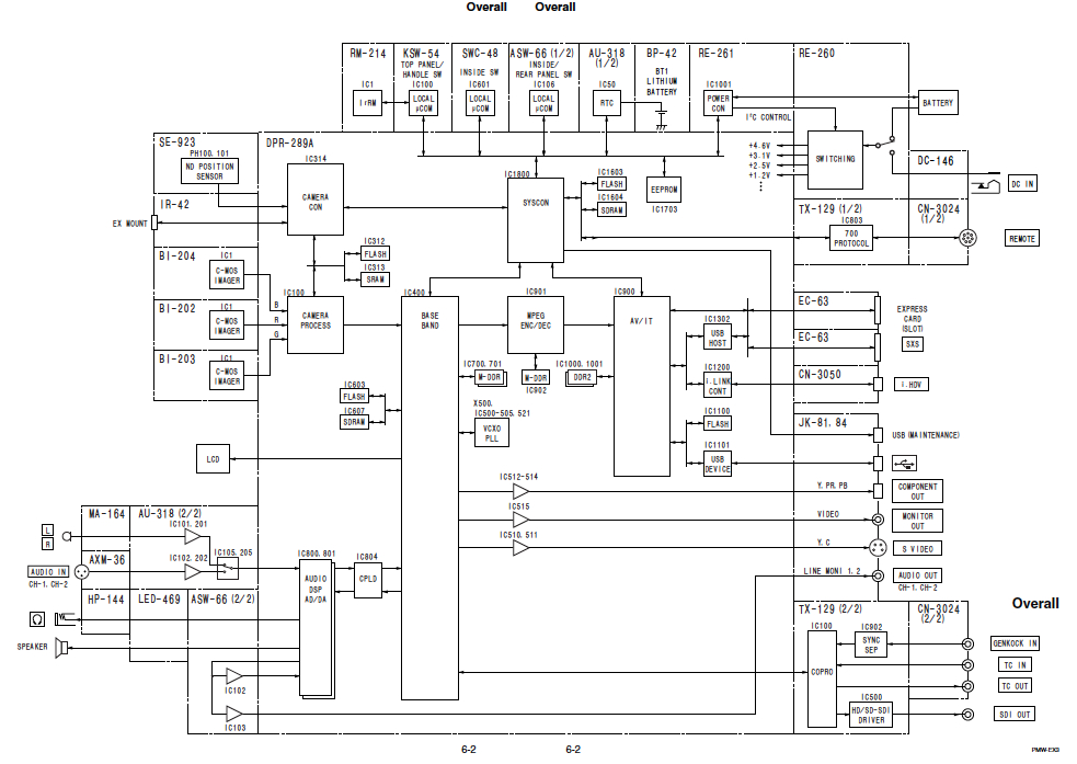
This is what the 15030 error refers to... the DPR-289 Board:

DPR-289A board
Output from the baseband processing IC (IC400) is input
into the MPEG encoder/decoder (IC901).
The MPEG encoder/decoder (IC901) is the single-chip
MPEG Codec IC that encodes and decodes both the highquality
HD video signal and audio signal in real-time. It
has various interfaces with signals such as MPEG video,
video input/output, MPEG audio, audio input/output, bit
stream input/output, and interface with the host.
IC901 output is then input into LSI (IC900) for AVIT
signal processing.
LSI (IC900) for AVIT signal processing contains the builtin
CPU and has interfaces for DDR2 SDRAM memory
(IC1000, IC1001), PCI bus, PCI-Express bus, I/O for
IC901, and serial communication with system controller
(IC1600).
IC900 is also connected to the NOR-type Flash ROM
(IC1100) to read the CPU program in the IC900 during
initial startup.
LSI (IC900) for AVIT signal processing is controlled by
the system controller (IC1600), in the same way as other
main devices, and provides the following types of functions:
video/audio stream control, access to the SxS
memory card, mass storage operations when connected to
USB and HDV device controls when connected to i-LINK.
__________________
George T. Griswold, Jr.
www.videonow.info New Orleans
George Griswold is offline   Reply With Quote
Old May 19th, 2010, 08:21 PM   #4
Major Player
 
Join Date: Apr 2005
Location: New Orleans, LA
Posts: 218
More on DPR Board...

Appears to be the Brain, Heart and lungs of the camera. See attached JPEG. Again this is from an EX-3, but it is not uncommon for cameras to share main components and then they take out features on different models.
Attached Thumbnails
Is there a list online of EX1 error codes?-ex-3-overall-block.jpg  
__________________
George T. Griswold, Jr.
www.videonow.info New Orleans
George Griswold is offline   Reply With Quote
Old May 20th, 2010, 02:53 AM   #5
Major Player
 
Join Date: Jul 2003
Location: Leeds, UK
Posts: 660
Images: 10
Thanks for your help George,

I've only had these errors once each, at different times.

The first last back in Feb, the second last week. Both times I power cycled the camera and carried on working. I was expecting them to be related to using SDHC media, but perhaps the camera should go back to Sony for a checkup.

Cheers, Duncan.
__________________
FCPX/LS300/EX1/FS100/GoPro/Vinten/HotHead/Jib/Track/Dedos/Lightstorm/Coollights
Duncan Craig is offline   Reply
Reply

DV Info Net refers all where-to-buy and where-to-rent questions exclusively to these trusted full line dealers and rental houses...

B&H Photo Video
(866) 521-7381
New York, NY USA

Scan Computers Int. Ltd.
+44 0871-472-4747
Bolton, Lancashire UK


DV Info Net also encourages you to support local businesses and buy from an authorized dealer in your neighborhood.
  You are here: DV Info Net > Sony XAVC / XDCAM / NXCAM / AVCHD / HDV / DV Camera Systems > Sony XDCAM EX Pro Handhelds


 



All times are GMT -6. The time now is 12:25 PM.


DV Info Net -- Real Names, Real People, Real Info!
1998-2025 The Digital Video Information Network